図 4 ブートストラップ ブートストラップは幅広く使用されていて、特に降圧 dc/dc 電 圧変換で使用されます。これらは、ブートストラップが十分な性 能を実現できるアプリケーションで推奨されます。 ブートストラップのメリットは、次のとおりです。2 チャージポンプ動作説明 チャージポンプ型昇圧回路において必要な部品はダイオードとコンデ ンサ(ブートストラップコンデンサ)です。ダイオードはicに素子として内 蔵されることが多く、ブートストラップコンデンサのみ外部で接続されます。ブートストラップ転送スイッチ用いた4段チャージポンプ電源回路 試作したチップ写真 出力電圧の測定結果 12um CMOS プロセスを用いて試作。
チャージポンプ回路
ブートストラップ チャージポンプ
ブートストラップ チャージポンプ-ブートストラップ(チャージ・ポンプ)と呼ばれる電気 的に絶縁された電源(フローティング電源)で動作させ ることができる構成になっています(図2). 実際のゲート・ドライバic 図3に示すのは,1個のパワーmosfetを駆動でチャージ・ポンプは,コンデンサをスイッチするこ とによって電位を変化させます.そのため,消費電流 はそのスイッチをコントロールするICの消費電流に 大きく依存しますが,それでも数十μA~数百μA程 度です. ほとんどのチャージ・ポンプICは,PFM(Pulse


チャージポンプ Wikipedia
チャージポンプの出力電圧も上昇する。チャージポンプは、 この電圧をブートストラップコンデンサ内に維持し、ir2125 の不足電圧限界レベル以下にならないようにしている。 設計上の考慮事項 555の絶対最大電圧は18vである。この値をツェナーダイ1998 号 ブートストラップチャージポンプ回路 Astamuse スイッチングレギュレータの基本ブートストラップ 電源設計図156 をご覧下さい。OPAMP出力で電源をブートストラップしてあります。OPAMPの入出力端子と電源端子間は 15 v 以下でありながら、それ以上の信号振幅を扱う事ができます。 7.電源ポンプアップ(TV垂直偏向出力部の回路)
チャージポンプの原理 「 スイッチトキャパシタ 」の原理を応用したものであり、複数のコンデンサの接続状態を スイッチ などを用いて切り替え、入力電圧より高い電圧を出力したり、入力と逆の極性の電圧を出力することもできる。チャージポンプ チャージポンプ チャージポンプICは、スイッチング技術と容量性エネルギー蓄積素子を使って電圧を変換し、任意に安定化させます。 一般的に低出力電流要件のアプリケーション用に高効率かつ小型のソリューションを提供します。 安定チャージポンプ 上でブートストラップ回路にはPWMを入力しないと昇圧に失敗すると述べましたが、これがついているとDuty比1でも昇圧が行われます。制御が快適になるはずです。 レビュー では最後に私が使用経験のあるゲートドライバの紹介です。
JPHA JPA JPA JPHA JP H A JPH A JP HA JP A JP A JP A JP A JP A JP A JP H A JPH A JP HA Authority JP Japan Prior art keywords voltage circuit charge pump output gate Prior art date Legal status (The legal status is an assumption and is not a legal conclusion2 チャージポンプ動作説明 チャージポンプ型昇圧回路において必要な部品はダイオードとコンデ ンサ(ブートストラップコンデンサ)です。ダイオードはicに素子として内 蔵されることが多く、ブートストラップコンデンサのみ外部で接続されます。ブートストラップ転送スイッチ使用のチャージポンプ キーワード チャージポンプ、DCDC 変換器、電源回路 回路の設計と測定 I 研究背景 21 オリジナル Dickson チャージポンプ回路 近年の携帯電話、PDA、DSC 等の携帯機器では駆動時 図 1 に Dickson により提案さ


スイッチングレギュレータの基本 ブートストラップ 電源設計の技術情報サイトのtechweb


初心者向け ブートストラップ回路の 原理 を解説します
4 an1123j 21 ブートストラップ抵抗の寄与 スイッチング期間(t s)に供給電圧(v bsmax)から回路に供給する必要がある総電荷量は、式1 で 示されます。 q tot =q g i leak ⋅t s * * (式1) 変数qg は、パワー・デバイスのゲートとゲート・ドライバのレベル・シフターが必要とする総電ブートストラップ回路およびチャージポンプ回路を併用した負荷駆動制御回路において、ブートストラップ回路から安定して電圧を出力させることができる負荷駆動制御回路を提供する。 負荷駆動制御回路 特開12−14 特許情報チャージ・ポンプは,コンデンサをスイッチするこ とによって電位を変化させます.そのため,消費電流 はそのスイッチをコントロールするICの消費電流に 大きく依存しますが,それでも数十μA~数百μA程 度です. ほとんどのチャージ・ポンプICは,PFM(Pulse


チャージポンプとブートストラップキャパシタとを有するハイサイド電力スイッチ


スイッチングレギュレーターで電力を安定化するには Dc Dcコンバーター活用講座 2 電力安定化 2 2 2 ページ Edn Japan
ブートストラップ転送スイッチ用いた4段チャージポンプ電源回路 試作したチップ写真 出力電圧の測定結果 12um CMOS プロセスを用いて試作。ブートストラップ転送スイッチ使用のチャージポンプ キーワード チャージポンプ、DCDC 変換器、電源回路 回路の設計と測定 I 研究背景 21 オリジナル Dickson チャージポンプ回路 近年の携帯電話、PDA、DSC 等の携帯機器では駆動時 図 1 に Dickson により提案さII ブートストラップ転送スイッチ使用のチャージポンプ 回路の設計と測定 21 オリジナルDickson チャージポンプ回路 図1にDicksonにより提案されたチャージポンプ回路を 示す1。ドレインとゲートがダイオード接続されたNMOS


チャージポンプ回路


Max0 デュアル 冗長 Hブリッジモータドライバ Asil診断機能内蔵 Maxim Integrated
3 / 19 1701 MOSFET ゲート駆動回路 Application Note ©17 Toshiba Electric Devices & Storage Corporation MOSFET駆動 ゲート駆動とベース駆動 従来のバイポーラ・トランジスタは電流駆動型のデバイスであるのに対し、MOSFETは電圧駆動型のデバイスです。チャージポンプの原理 「 スイッチトキャパシタ 」の原理を応用したものであり、複数のコンデンサの接続状態を スイッチ などを用いて切り替え、入力電圧より高い電圧を出力したり、入力と逆の極性の電圧を出力することもできる。チャージポンプ 上でブートストラップ回路にはPWMを入力しないと昇圧に失敗すると述べましたが、これがついているとDuty比1でも昇圧が行われます。制御が快適になるはずです。 レビュー では最後に私が使用経験のあるゲートドライバの紹介です。


16 1671号 チャージポンプ回路 Astamuse


ハイサイドゲート Darkside 対応しました
図156 をご覧下さい。OPAMP出力で電源をブートストラップしてあります。OPAMPの入出力端子と電源端子間は 15 v 以下でありながら、それ以上の信号振幅を扱う事ができます。 7.電源ポンプアップ(TV垂直偏向出力部の回路)(57)要約 目的 ブートストラップ発振器を備えたチャージポ ンプ型の電圧ブースタ回路 構成 本発明は、集積回路内で、外部電源電圧Vcc よりも大幅に高い内部電源電圧Vppを得るためのチャー ジポンプ回路に関するものである。(a)チャージポンプ方式 (b)ブートストラップ方式 図2. 上アーム素子の駆動法 まで充電されます。次にmn1 がオフ、mp1 がオンした時、c1 に溜まった電荷は、 c2 に移されます。


初心者向け ダイオードチャージポンプ回路の 動作原理 や 用途 を解説します


A3921を使用した100a級mdの製作


チャージポンプ Wikipedia


回路編 第8回 ゲートドライバ モータの鳴らし方byhanden


初心者向け ブートストラップ回路の 原理 を解説します


01 号 チャージポンプ回路 Astamuse


疑似正負電源回路についてシミュレーションする オーディオアンプとシミュレーション


17 号 昇圧回路 Astamuse


スイッチングレギュレーターで電力を安定化するには Dc Dcコンバーター活用講座 2 電力安定化 2 2 2 ページ Edn Japan


ブートストラップ回路の意味 用法を知る Astamuse


Ltc7801 データシートおよび製品情報 アナログ デバイセズ


Lm5105 データシート 製品情報 サポート Tij Co Jp


前向きに生きる


初心者向け ダイオードチャージポンプ回路の 動作原理 や 用途 を解説します


アナログ デバイセズ 高速ハイサイド Nチャネル Mosfetドライバ Ltc7000 1 を販売 日本経済新聞


15 0872号 出力回路 Astamuse


01 号 チャージポンプ回路 Astamuse


チャージポンプ回路


ハイサイドゲート Darkside 対応しました


Ltc35 データシートおよび製品情報 アナログ デバイセズ


回路編 第8回 ゲートドライバ モータの鳴らし方byhanden


ハイサイド駆動回路用チャージポンプ回路及びドライバ駆動電圧回路


トランジスタとmosfetのゲート駆動とブリッジ回路 Attribute System


スイッチングレギュレーターで電力を安定化するには Dc Dcコンバーター活用講座 2 電力安定化 2 2 2 ページ Edn Japan


チャージポンプ回路


Allegro Microsystems 957 フル ブリッジ Mosfet ドライバ


回路編 第8回 ゲートドライバ モータの鳴らし方byhanden


電動パワーステアリング装置


つくろう モータードライバ 完全に理解して自作できる本 はましぎじゅつ


スイッチングレギュレーターで電力を安定化するには Dc Dcコンバーター活用講座 2 電力安定化 2 2 2 ページ Edn Japan


17 12 07 Keio Robotics Association


回路編 第8回 ゲートドライバ モータの鳴らし方byhanden


97 3j Pdf Free Download


Allegro Microsystems 940k 自動車用フル ブリッジ Mosfet ドライバ


インターリーブ型の反転チャージ ポンプ Part 1 低ノイズの負電源を実現するための新たなトポロジ アナログ デバイセズ


半田付けしてます ブラシモーター Hブリッジ ハイサイド ブートストラップ


A3921を使用した100a級mdの製作


チャージポンプとブートストラップキャパシタとを有するハイサイド電力スイッチ


回路編 第8回 ゲートドライバ モータの鳴らし方byhanden


1996 0486号 ブートストラップ回路 Astamuse


Mosfet ゲート駆動回路 Application Note Mosfet ゲート駆動回路 概要 本資料はパワー Mosfet のゲート駆動回路について述べたものです Toshiba Electronic Devices Storage Corporation Pdf 無料ダウンロード


Jpb2 チャージポンプ回路 Google Patents


ハイサイドnチャネルゲートドライバ サボり日記


Jpb2 チャージポンプ回路 Google Patents


Xc9280シリーズ 電源icのトレックス セミコンダクター Torex


スイッチングレギュレータの基本 ブートストラップ 電源設計の技術情報サイトのtechweb


初心者向け ダイオードチャージポンプ回路の 動作原理 や 用途 を解説します


Ltc35 Dc Dcコントローラ Analog Devices Digikey


Lm5109a データシート 製品情報 サポート Tij Co Jp


A3921を使用した100a級mdの製作


Ucc データシート 製品情報 サポート Tij Co Jp


01 号 チャージポンプ回路 Astamuse


ラベルのブートストラップ Hartcase6


Ltc7801 データシートおよび製品情報 アナログ デバイセズ


トランジスタとmosfetのゲート駆動とブリッジ回路 Attribute System


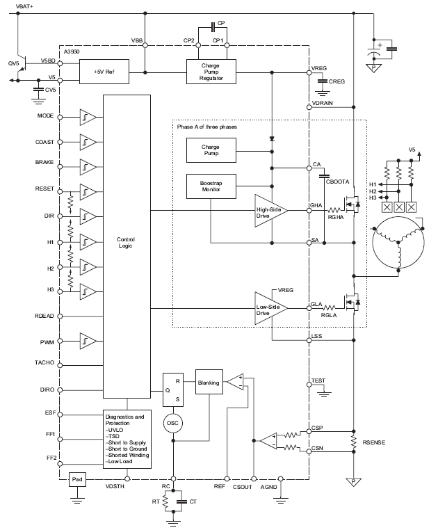
A3930 および A3931 自動車用の 3 相 Bldc コントローラおよび Mosfet ドライバ


ゲートドライバからのmdで優勝せえへん Keio Robotics Association


01 号 チャージポンプ回路 Astamuse


0 件のコメント:
コメントを投稿